您的位置:首页->产品介绍-->卡箍式垫片--->卡箍式垫片尺寸

 

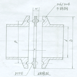
卡箍式垫片

 

 规格尺寸表

 
英制吋″
内径d 凸筋中径P 外径D 筋高H  壁厚L
6A
1/8″
8.1
27.5
34
4.5
2.0
8A
1/4″
11.4
27.5
34
4.5
2.0
10A
3/8″
14.0
27.5
34
4.5
2.0
15A
1/4″
17.6
27.5
35
4.5
2.0
20A
3/4″
23.0
32.0
42
4.5
2.0
25A
11/4″
28.4
40.0
50
4.5
2.0
30A
11/2″
37.1
48.0
58
4.5
2.0
40A
2″
43.0
55.0
64
4.5
2.0
50A
21/2″
54.5
67.0
78
4.5
2.0
65A
21/2″
70.3
81.0
91
4.5
2.0
80A
3″
85.6
100
116
4.5
2.0
100A
4″
108.3
120
132
4.5
2.0
125A
5″
133.0
146.
168
4.5
2.0
150A
6″
168.4
176.0
188
4.5
2.0
200A
8″
208.8
228.0
238
4.5
2.0
250A
10″
259.4
277.0
280
5.5
2.5
300A
12″
308.5
320.0
344
5.5
2.5
350A
14″
345.6
366.0
380
5.5
2.5
400A
16″
398.4
416.0
430
5.5
2.5
450A
18″
447.2
466.0
480
5.5
2.5

 

卡箍式垫片规格尺寸(推荐)
卡箍式垫片规格尺寸